Балки двотаврові з ухилом внутрішніх граней полиць
Маса балки Мдвотавра обчислюється за формулою:
Мдвотавра = L • Ууд
Де L – довжина двотаврової балки, Ууд – теоретична маса 1 м двотаврової балки, обчислена за номінальними розмірами, при щільності стали 7850 кг/м
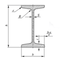
Условные обозначения:
h – висота двотавра;
b – ширина полиці;
S – товщина стінки;
t – середня товщина полиці
R – радіус внутрішнього закруглення;
r – радіус закруглення полки.
Розміри, маса і кількість метрів в тонні двотаврів сталевих за ГОСТ 8239-89
|
№ балки |
Розміри, мм |
Маса 1 м балки, кг |
Кількість метрів в 1 т, м |
|||
|
h |
b |
S |
t |
|||
|
10 |
100 |
55 |
4.5 |
7.2 |
9.456 |
105.7 |
|
12 |
120 |
64 |
4.8 |
7.3 |
11.54 |
89.62 |
|
14 |
140 |
73 |
4.9 |
7.5 |
13.68 |
73.09 |
|
16 |
160 |
81 |
5 |
7.8 |
15.89 |
62.94 |
|
18 |
180 |
90 |
5.1 |
8.1 |
18.35 |
54.50 |
|
18a |
180 |
100 |
5.1 |
8.3 |
19.92 |
50.20 |
|
20 |
200 |
100 |
5.2 |
8.4 |
21.04 |
47.53 |
|
20a |
200 |
110 |
5.2 |
8.6 |
22.69 |
44.08 |
|
22 |
220 |
110 |
5.4 |
8.7 |
24.04 |
41.60 |
|
22a |
220 |
120 |
5.4 |
8.9 |
25.76 |
38.82 |
|
24 |
240 |
115 |
5.6 |
9.5 |
27.34 |
36.57 |
|
24a |
240 |
125 |
5.6 |
9.8 |
29.40 |
34.02 |
|
27 |
270 |
125 |
6 |
9.8 |
31.53 |
31.71 |
|
27a |
270 |
135 |
6 |
10.2 |
33.88 |
29.51 |
|
30 |
300 |
135 |
6.5 |
10.2 |
36.48 |
27.41 |
|
30a |
300 |
145 |
6.5 |
10.7 |
39.17 |
25.53 |
|
33 |
330 |
140 |
7 |
11.2 |
42.25 |
23.67 |
|
36 |
360 |
145 |
7.5 |
12.3 |
48.55 |
20.60 |
|
40 |
400 |
155 |
8.3 |
13 |
56.96 |
17.56 |
|
45 |
450 |
160 |
9 |
14.2 |
66.50 |
15.04 |
|
50 |
500 |
170 |
10 |
15.2 |
78.64 |
12.72 |
|
55 |
550 |
180 |
11 |
16.5 |
92.66 |
10.79 |
|
60 |
600 |
190 |
12 |
17.8 |
108.0 |
9.263 |
Раскрой:
Довжина профілю від 4 до 12 м. По довжині підрозділяють на:
- мірної довжини;
- кратної мірної довжини;
- немірної довжини.
Граничні відхилення розмірів поперечного перерізу
|
Параметри двотавра, показник якості |
Розмір, мм |
Граничні відхилення при точності прокатки, мм |
|
|
Підвищеної |
Звичайної |
||
|
Висота полиці, h |
До 140 включ. |
±2.0 |
±2.0 |
|
Від 140 до 180 включ. |
±2.0 |
±2.5 |
|
|
Від 180 до 300 включ. |
±3.0 |
±3.0 |
|
|
Від 300 до 360 включ. |
±3.0 |
±3.5 |
|
|
Від 360 до 600 включ. |
±4.0 |
±4.0 |
|
|
Ширина полиці, b |
До 73 включ. |
±2.0 |
±2.0 |
|
Від 73 до 90 включ. |
±2.0 |
±2.5 |
|
|
Від 90 до 135 включ. |
±2.0 |
±3.0 |
|
|
Від 135 до 155 включ. |
±3.0 |
±3.5 |
|
|
Від 155 |
±3.0 |
±4.0 |
|
|
Товщина полиці, t |
До 7,5 включ. |
-0.4 |
-0.7 |
|
Від 7,5 до 8,9 включ. |
-0.5 |
-0.7 |
|
|
Від 8,9 до 10,7 включ. |
-0.6 |
-0.8 |
|
|
Від 10,7 до 12,3 включ |
-0.7 |
|
|
|
Від 12,3 до 14,2 включ. |
-0.8 |
-1.0 |
|
|
Від 14,2 до 15,2 включ. |
-0.9 |
|
|
|
О 15,2 |
-1.0 |
-1.2 |
|
Балки двотаврові сталеві спеціальні. ГОСТ 19425-74
Умовні позначення:
h – висота двотавра;
b – ширина полки;
S – товщина стінки;
t – середня товщина полки;
R – радіус внутрішнього закруглення;
r – радіус закруглення полки.
Радіуси заокруглень на профілях не визначаються та враховуються для побудови калібру.
Розміри, маса і кількість метрів в тонні двотаврів сталевих гарячекатаних по ГОСТ 19425-74
|
№ балки |
Розміри, мм |
Маса 1 м балки, кг |
Кількість метрів в 1 т, м |
|||
|
h |
b |
S |
t |
|||
|
14С |
140 |
80 |
5,5 |
9,1 |
16,9 |
59,17 |
|
20С |
200 |
100 |
7 |
11,4 |
27,9 |
35,84 |
|
20Са |
200 |
102 |
9 |
11,4 |
31,1 |
32,15 |
|
22С |
220 |
110 |
7,5 |
12,3 |
33,1 |
30,21 |
|
27С |
270 |
122 |
8,5 |
13,7 |
42,8 |
23,36 |
|
27Са |
270 |
124 |
10,5 |
13,7 |
47,0 |
21,28 |
|
36С |
360 |
140 |
14 |
15,8 |
71,3 |
14,03 |
|
18М |
180 |
90 |
7 |
12 |
25,8 |
38,76 |
|
24М |
240 |
110 |
8,2 |
14 |
38,3 |
26,11 |
|
30М |
300 |
130 |
9 |
15 |
50,2 |
19,92 |
|
36М |
360 |
130 |
9,5 |
16 |
57,9 |
17,27 |
|
45М |
450 |
150 |
10,5 |
18 |
77,6 |
12,89 |
Розкрій:
Балки випускаються довжиною від 4 до 13 м. Поділяються на:
- мірної довжини;
- кратної мірної довжини;
- мірної довжини із залишком до 5% від маси партії;
- кратної мірної довжини із залишком до 5% від маси партії;
- немірної довжини.

































Кошик